Rumah> Produk> Generator hidrogen PSA> Generator hidrogen teknologi psa
Generator hidrogen teknologi psa
Generator hidrogen teknologi psa
Generator hidrogen teknologi psa

Generator hidrogen teknologi psa

  • Jenis pembayaran: L/C,T/T
  • Inkoterm: FOB,CFR,CIF,EXW
  • Min. Memesan: 1 Set/Sets
  • Pelabuhan: Shanghai China
dapatkan harga terbaru
    PRODUCT ATTRIBUTES
    Overview
    Atribut Produk

    Tempat AsalJiangsu, Cina

    JenisTanaman pemisah

    Product TypeMachinery

    KondisiBaru

    Brand NameXinrui

    Model NumberXRFD-39-50

    VoltageCan be customized

    Weight1000KG

    Dimension(L*W*H)non-standard products

    Jaminan1 tahun

    Layanan Purna Jual DisediakanInsinyur tersedia untuk mesin layanan di luar negeri

    Flow Rate50-1000Nm3/hr

    N2 Purity99%-99.99%

    Colorsilver, grey, bule (depends on customers' needs)

    SertifikasiCE,ISO9001

    & pengiriman paket
    Menjual unit: Set/Sets
    Tipe paket: Kemasan yang layak laut
    Overview
    Kemampuan Pasokan & Informasi Tambahan

    KemasanKemasan yang layak laut

    Dukungan tentang15 Set/Sets per Month

    PelabuhanShanghai China

    Jenis pembayaranL/C,T/T

    InkotermFOB,CFR,CIF,EXW

    Deskripsi Produk

    Generator hidrogen teknologi psa

    Generator hidrogen teknologi psa


    Generator hidrogen teknologi psaGenerator hidrogen teknologi psa





    Generator hidrogen teknologi psa

     

    Model

    Capacity

    (Nm³/h)

    Feed Gas

    Product gas: hydrogen gas

    Gas source

    Pressure

    (Mpa)

    Dew point

    ()

    Dew point

    (℃)

     Purity

    (%)

    Pressure

    (Mpa)

    Temperature

    XRFQ29

     

     

    5-2000

    Mixed gas of hydrogen and nitrogen from ammonia decomposition and methanol cracking 

     

     

    0.8-2.4

     

     

    -60

     

     

    -60

    99

     

     

    0.7-2.3

     

     

    Ambient temperature

    XRFQ39

    99.9

    XRFQ49

    99.99

    XRFQ59

    99.9999




    Spesifikasi Teknis Utama:
    Perawatan gas: (10-500) NM3/H.
    Tekanan adsorpsi: 0.8MPA-2.4MPA
    H2 Purity: 99,9-99,99%
    Titik embun: -60ºC

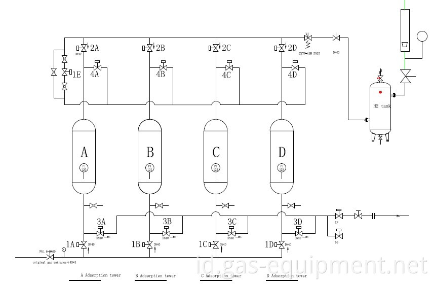
    Prinsip generator hidrogen PSA

    Di bawah tekanan tertentu, manfaatkan lapisan adsorpsi yang terdiri dari banyak penyerap seperti karbon aktif, silikon dioksida, saringan molekul dan alumina, generator hidrogen secara selektif menyerap komponen yang tidak murni dalam sumber gas dengan hidrogen yang termasuk seperti methanol yang terdisosiasi, gas yang dilepaskan dari sintesisesis dalam sintesis di sintesis dengan gas dengan hidrogen yang termasuk seperti methanol yang terdisosiasi, gas yang dilepaskan dari sintesisesis dengan sintesis dalam sintesis dalam sintesis dengan gas dengan hidrogen termasuk seperti metanol yang dilepaskan dari sintesis. Kolam amonia, gas kering retak katalitik dalam kilang oli, gas shift, gas air dan gas semi-air di bawah tekanan, sementara hidrogen yang sulit diserap dikeluarkan dari pintu masuk menara adsorpsi sebagai gas produk. Oleh karena itu, pemurnian hidrogen direalisasikan.


    Bagan aliran

    Generator hidrogen teknologi psa



    Detail Pengiriman:
    Detail Pengemasan: Kemasan Ekspor Standar
    Rincian Pengiriman: Dalam 60-90 hari setelah menerima setoran

    The file is encrypted. Please fill in the following information to continue accessing it

    Berhubungan
    If you have any questions our products or services,feel free to reach out to us.Provide unique experiences for everyone involved with a brand. We've got preferential price and best-quality products for you.
    Please fill in the information
    Please fill in your e-mail
    Please fill in the content
    Rumah> Produk> Generator hidrogen PSA> Generator hidrogen teknologi psa

    Kontak

    • Tel: 86-512-65865622
    • Ponsel: 18501506352
    • Email: 18501506352@163.com
    • Alamat: Building 7, Liando U Valley, No. 25 Datong Road, High tech Zone,, Suzhou, Jiangsu China

    Kirim permintaan

    Kirim permintaan
    *
    *

    We will contact you immediately

    Fill in more information so that we can get in touch with you faster

    Privacy statement: Your privacy is very important to Us. Our company promises not to disclose your personal information to any external company with out your explicit permission.

    Kirim